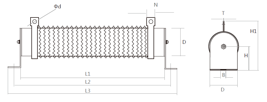
RXBW(RXHG)型线绕波纹电阻器,电阻丝为立式波纹,有利于散热减低寄生电感量,表面涂绝缘耐高温涂料,具有功率大、耐过载能力强、耐电压高(指电极与安装支架间所承受电压)。
额定功率范围:10W~6000W
工作电压范围:<1.2kV
额定阻值范围:0.1Ω~25KΩ
最高耐压:3000V
最高精度:1%
IP等级:IP00
振动:0.5g
温漂范围:≤400ppm/℃
工作温度范围:-55℃~+275℃
应用领域:模拟负荷实验,设备放电,自动控制,变频器能耗制动






粤公网安备 44190002006985号